2025年1月31日金曜日

TA7358とクリッピング

TA7358とクリッピング

有名な!?TA7358のクリッピングダイオードの話である。
TA7358を本来のFM系以外で、RF/MIXに使用した場合どのくらいの入力でクリッピングが起きるか計算してみた。

  • 利得 30db
  • Q値を50とした時のIFコイルのR 7400Ω
  • 6pin出力抵抗 100kΩ
※7400//100000≒6900を負荷値とした


より算出

ダイオードのVfが0.7VとするとGNDを基準に+0.7~ー0.7Vを超える電圧がクリップすることになる。1400mVp-pである。

とすると、おおよそ-44dbmあたりからクリップする計算になった。
S表示にすると S9+30dBといったところだろう。
このくらいならFT8や大電力SSBでも普通にありそうな気がする。

そしてクリッピングは波形の歪みなので、混変調の元になっているかも知れない。。

確認のためIF出力リンクコイル側の波形をみてみた

  • RF+MIX利得 30dB
  • 14t:2t 2t側にて測定
  • AGC OFF 
  • BPF あり
入力はいつものTinySAで7012kHzで-60dBm~-30dBmの範囲で入力した。

ANT入力-60dB

きれいなSineカーブにみえる

ANT入力-50dB

こちらもまだきれいなSineカーブにみえる

高調波をFFTにて確認しても
目立ったものはみあたらない


ANT入力-40dB

オシロでの波形はつぶれ等は見えずわからないが・・・・
FFTにすると
いままではなかった高調波がみえる
なので-40~-50dBm付近でなんらかの歪が発生し始めたということになる。
なのでその辺を探ってみる

ANT入力-42dB FFT



歪はじめは-42dBm程度のようだ

ANT入力-30dB FFT

あちこちに歪と思われる不要周波数がみられる
これのオシロ画面は
若干上下対象が崩れているようにもみえるがやはりはっきりしない。


結果的に

計算でのクリッピングは-44dBmだったので、おそらくクリッピングダイオードによる歪が推測される。
ということだろうか。

2025年1月27日月曜日

TA7358:10MHz IFT作成

TA7358 IFコイル仕様の検討

IFの周波数は10.7MHzとしている。
前投稿ではFCZは9MHzのコイルの仕様を参考にして巻き数を14tと決めた。

資料:FCZ諸元

巻き方だが、追加の分は14tは以前と同様に3x5溝にし3,3,3,2としたが、リンクコイルは最上部溝に3t巻いた。(前回は中央部に5t,4tと巻いていた)



TA7358の6pin出力インピーダンスは100kΩとされているので出力インピーダンスはほぼコイルのインピーダンスとなる。
クリスタルフィルターの入力インピーダンスは40Ω程度
コイル仕様としてインピーダンス比は
14t:5t (14/5)^2=8
14t:4t (14/4)^2=12 
14t:3t (14/3)^2=22
となる
手持ちのコイルで試してみた。手法はTP1電圧(AGC電圧)を測る方法。その結果、この中では14t:3tがいちばんよかった。

さて、

検証してみよう

順番が逆(;'∀')
普通は設計のために計算してからのはずだが・・・・

クリスタルフィルターの入力インピーダンスは40Ω程度
Q値を仮に50とするとコイルの負荷インピーダンスは
より7.4kΩとなった。
巻線比からクリスタルフィルターにつながる側のインピーダンスを求めると

IMP比IMP
14t:5t(14/5)^2=8943.88Ω
14t:4t(14/4)^2= 12604.08Ω
14t:3t(14/3)^2=22339.80Ω
14t:2t(14/2)^2=49151.02Ω
14t:1t(14/1)^2=19637.76Ω

5t,4t,3tと試し、一番良かったのが3tだったが計算でのインピーダンスは339Ωであった。
まだまだ不整合である。
14t:1tで37Ωなのでそっちのほうがよいかもしれない。ということになる。
試してみたい気持ちがウズウズ。

まさにコイル沼だ(;'∀')

結局

2tのコイルも作成。

3tよりも成績が良いことが判明。。。。
こうなると1tも作ってみたくなるが、まさに沼なのでやめとこう('◇')ゞ


相互変調と混変調 TA7358

 フロントエンド部の検討

CWトランシーバを構成したくて往年のTA7358を使って受信機を作成する試みをしてるが、どうもこのICは大入力に対して耐性が低いような気がする。
以前、TDA1083というラジオICで7MHz帯の受信機を構成したが、それに比べても相互変調や混変調が多い。

バンド内で搬送波が出ている強い電波はFT8となるがそれによる相互変調を考えてみる

FT8周波数による相互変調

ざっと計算するとこんな感じでCWの黄金帯にまる被りになる。

これを防ぐのには、歪まない素子を使えということになる。
なので現実的にはATTを入れてTA7358の高調波歪を防ぐくらいしかないだろう。

もう一つは混変調、AM変調の放送波が一番の原因となりそうだ。
実際、以前作製したBPFを入れるとかなり改善される。

ということで、フロントエンドは、なるべく狭帯域のBPFとする必要がある。

TA7358の入力はベース接地アンプとなっていてインピーダンスが低い。データシートからは57Ωである。通常のFCZコイルで受けると同調側がダンプされてブロードになってしまう。

なのでアンテナから50Ωで設計されたBPFを通し直接入力することとした。

ここでひとつ問題がある。RFスイッチにMOSFETを使っているのでDCが通ることが必要なのである。
となるとチェビジェフ型のBPFが良いことになる。が・・・・


結果・・・・



チェベジェフ型のBPFで帯域をせまくするようにすると、なかなか難しいようだ。
なので、軟弱にも・・・・以前作製したBPFを使うことにした。


特性は

DCを通すのにはチップインダクタを使用(10uF)
これも、入力と並列なので貴重な電波の損失対象となるが・・・・・・



BPF基板はブレークイン基板と同居させることにした。
これからの実験で使えるようにソケット形式にした。
DCは通らなくてよいのでBPFの選択肢が広がる。


右側のソケットがBPF、上のピンヘッダにはVR1kをATTとして繋ぐ。
VRの出力をTA7358の1番ピンにつながるコンデンサに接続する。

ーーーーーーー追記

Webでこんな情報をみつけた。
によると、
実験して遊ぶには程よいデバイスだろうが、 送信用(HAM RADIO)としては??だろう。クリコン用にしても外部OSCからの注入上限は100mV近傍になる。安全を見れば70~80mV程度だろう。
HI-FIにするには工夫が必要になる。 「割合に制約が多いデバイス」と捕らえるのが正しい。 工夫は各自してみてください。
とのこと

こうやって見ていくとこのIC決して使いやすいものではない。
ことがわかった。

TA7358はAliexpressでたくさん仕入れてしまったなぁ('◇')ゞ

2025年1月20日月曜日

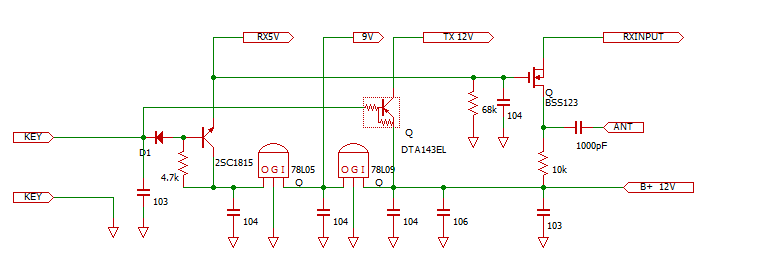
ブレークイン回路・アンテナ切替

 電源・ブレークイン回路とアンテナ切替

アンテナ切り替えはリレーを使うと簡単にできるのだが、高周波リレーがあれば使うのだが手持ちにはDCリレーしかない。フルブレークインにするとカチャカチャうるさい。
そこで、QCX回路を真似てMOSFETを使ってみることにする。
MOSFETによるスイッチングは受信機が送信時に切り離されて、非送信時につながる。

受信時は送信終段のRFCと並列になるので調べてみた。


送信機最終段のRFCは50Ωの10倍程度とする。≒500Ω

無線機の設計と製作入門,95ページ,187ページ

ということなのでRF入力は9割程度になる見込み

 

ちなみに、RFCは7MHzでは500Ωのインピーダンスを確保すると11.4μH必要ということになる。AL値から巻き数を計算すると
FT50-61 ≒13Turn
FT50-43 ≒5Turn
必要ということになる


アンテナ切替にはBSS123を使う。Cossが約7pFと小さい。
他にBS170や2N7000などのMOSFETもあるがCossが大きくVDSSも低い。

サイズも小さい。チップ部品の取り付けも大部慣れてきたけど、老眼に優しくない(・・;)

ランド3つ分の隙間に入れられた

回路図
DTA143のところは2SA1015でも良かったのだが、4.7k抵抗内蔵分スペースが節約できるので使ってみた。DTA143E.PDF

PasS
左側の3ピンソケットに送信用のLowPassフィルターを配置する。

RED:12Vinput,8Vout,5Vout 黄:KEY制御12Vx2,5Vx1 緑:KEY 白:ANT切替

電源入力は12V、これをKEYDown時(送信時)にON,12VとOFF,5V(TA7358RX)用とした。
もう一つの制御12Vはサイドトーン用回路とLM386入力のミュート制御に使う。


2025/2/13 追記

各基板を繋いでテストしているときに発覚しただが・・・・
先の回路では、うまくいかない。

RX,TXの切替時に大きなクリックノイズがはいる。
符号の後に余計な音が入るのでとても打ちづらい。
原因を探り試行錯誤した。

送信時符号を出すとに大きな電流が入切りされるのでその影響を疑い電源を別にしてみたが変わらず。
TXからRXに変わるときに特に大きなクリックノイズが入っていたので、ソフトウエアでセミブレークイン動作にしてみたが符号を打つたびに発生して、変わらず。

ブレークインボードを切り離したところ(送信はLPF、受信はBPFのみ)送信にダミーロード、受信側はアンテナに繋いだところクリック音はしない。

ということでブレークインボードを疑い、RXにつながるところに電力計を繋いだら・・・・

符号を送ると入切りしたところで0.6mW程度の出力がある。

そう。10uHに1mA程度の電流がON、OFFされる。そこで起電力が・・・・
これが主な原因だとおもう。


BSS123へは1mA程度でよいので抵抗負荷にするかと思ったが、混変調対策にATTをいれるのでそれを使うことにした。

もう一つは、TX時にも2SC1815のバイアス抵抗を通じてエミッタ側に電圧が出ているので、BSS123のゲートスレッショルドの電圧以上(2V)かかる危険性がある。TX時にもRXボードに0.7V程度電圧が出ていたことを思い出す。エミッタ出力なのでOFF時もバイアス電流分は流れることを忘れてた。
本当は回路を変更してコレクタ出力にするのが正しいのだけれど、とりあえず68kを1kとしTX時にBSS123がONにならないように対策した。

2025/04/06追記

送信時のクリックノイズを低減しようとRX部分に送信時も電力を与えてみたところ(電池で5.1V)クリックノイズが減り、オーディオ出力の歪が改善、感度が上昇との結果を得た。
従来のRX5Vの供給電圧が4.1V付近と低かったが、レギュレータ後の電圧を直接供給することで5V供給となったことが要因と思われる。TA7358は最大電圧が8Vまでなので8Vレギュレータ出力につなぐともっと感度、歪みが良くなるかもしれない。興味のあるところだ。

ブレークインボード/電源回路一部変更



送信時にもRX部分に電源は供給されるように変更になった。
この変更でサイドトーンが濁るなどの不具合はない。

2025/08/11 変更



レギュレータを9V,6Vに変更


2SC1815での電圧降下を見込んで78L05をL06に変更しそこからRX用の電源とするつもりだったが、実際に試したところRXーTXの切替時のポップノイズが大きく断念。
回路図通りRX電源はRX5Vの表記の所からとることにした。(実際は6V)

やっぱりリレー方式にしてみようかと思案中


2025年1月15日水曜日

TA7358CWのVFOをSi5351で構成してみる

 Si5351をVFOにする

自作・実験・Audio・Linux覚書: Si5351

TA7358 CWの回路VFOにAD9833を使ってきた。難点は発振周波数が高くできないので受信・送信周波数より低い周波数で出力することになる。するとスプリアスの抑制が困難になってきた。それに送信周波数を直接出力できないので送信にも周波数変換が必要になるため回路規模が大きくなってしまう。


送信系統比較


AD9833

AD9833VFO(3MHz)-周波数変換(TA7358)-Buffer(2SK241)-励起(2SC1815[ABT+10dbm])-電力増幅(TTC015B)-LPF-ANT
                                        | 10.7MHz局発

Si5351

Si5351VFO[+5.5dbm]-励起(2SC1815)-電力増幅(TTC015B)-LPF-ANT

Si5351の出力が最大で10dbm程度見込めるのでQRPならば2段増幅で十分そう。ということは回路や調整が楽になるということ。

というわけで、Si5351を使ってみることにしたわけだが・・・・どこのページをみても、どうしても面倒な設定が必要なことがわかる。DDSのように簡単にはいかないようである。

自作・実験・Audio・Linux覚書: Si5351を使った7MHz VFOの実験

では、JA2GQPさんのスケッチを使わせてもらった。今回もそれを改変してCLK0で受信VFOを、CLK1で直接送信周波数を出力できるようにしたい。


回路図


LCDは0.98インチの小型LCDパネル

PasSによる配線図



実装



Si5351はソケットにさしこみProMiniの上に配置させる。左下の4pinソケットは右から17MHz,7MHzのLPFを配置する。LPFを交換可能としたことで、今後の実験で他の周波数帯も実験できるようにした。

さて、Si5351のスケッチだが、arduinoには面倒な設定がいらないライブラリがある。これを使うと簡単にスプリアスの少ない組み合わせを自動的に設定してくれるようだ。

GitHub - etherkit/Si5351Arduino: Library for the Si5351 clock generator IC in the Arduino environment

すばらしい。。

それに、JA2GQPさんのスケッチが非常によくできていて読みやすいので助かった。受信用にCLK0を使い17MHzを出力させTX時にCLK1に7MHzを出力させるように改変した。

めずらしく、一発で思い通りに動かせた。自分用にスケッチファイルを貼っておくことにする。

https://drive.google.com/file/d/1Em5VaG_Ot9FjmdgrPUIFk0gaj6fmQSRU/view?usp=sharing

スケッチ改変点

  • 送信時と受信時に異なるLowPassフィルタを使うためにCLK1を増設した。CLK1は送信用VFO出力としTXがスイッチされた時だけ出力。CLK0は受信用VFO専用とした。(こちらはTXスイッチ時も出力)
  • Sメータの振れがよくない(AGC整流電圧が3.3Vまでいかない)のでAnalogRead値を、×4とし1023を超えるものを1023に制限した。
  • 周波数stepをエンコーダのプッシュスイッチで制御するので長押しで順方向、短押しで逆方向にstepするようにした。stepは50,500(Hz),5k(Hz)とした。
    ※フォントの変更が必要だが未実装なので表示はオリジナルの50,100,1kのまま。実装方法が理解できたら変更する。

LowPassフィルタ

CLK0受信用

設計値では22MHzあたりから下がるようにするつもりだったが・・・



どうもチップインダクタやコンデンサの誤差が大きいようで設計値よりも低いカットオフとなった。
受信用VFOのLowPassフィルタは損失が大きいが、TA5358へ入れる前に半固定抵抗で値をー12dBm程度に減衰させるため問題ない。

CLK1送信用



こちらは、チップインダクタとコンデンサの実容量を測定しその値でシミュレーションした。


結果。今度は大体設計値通りの結果となった。

CLK1出力をTinySAでみてみた



おおむねいい感じに出力されている。出力も5.5dbmあり、この後2段の増幅で使えそうな感触を得た。また、送信時にも受信用CLK0は出力されたままなのだが、受信音に変化はなく、送信周波数の飛び込み等の干渉はないようだ。

2025/2/28追記 CLK0とCLK1の干渉について



電力増幅部まで組んで実際の出力をみたところ、CLK1の出力時にCLK0を有効のまま(出力したまま)にすると上図青マークのようなスプリアスが出ていた。約3.5MHz毎にでていたもので基本波よりも低い周波数だとLPFで取り切れない。
CLK1出力時にCLK0を無効にするとこのスプリアスは姿を消した。
気が付くのに時間がかかってしまった。やれやれである。


2025/8/11 変更 12Vから直接電源を供給

電源ボードから5Vを供給していたVFO基板だが、受信時のノイズの源となっていた。
理由はわからないが、12V電源から直接だとノイズはないので、直接供給できるように8Vのレギュレータを追加することにした。


2025年1月6日月曜日

TA7358でAGCの実験

 

定番のICであるが、これで作るとAGCがない。

のが普通。

強い局が爆音となる。
ヘッドフォンでの交信だと耳が逝ってしまいそうになるので困る。
ネットを徘徊していたら、参考になりそうなページがいくつか見つかった。
どうやら2番ピンのバイアスを崩して(グランドに落として)利得を下げることができるようだ。
最初はダイオードで作った負の電圧を与えてみた。これは、上手くいかない。
そこで、負の電圧を作るではなく、正の電圧でトランジスタでスイッチして、2番ピンをグランドに落とし利得をコントロールしてみた。

一応、AGCになってはいたが、フィーリングか最悪。最初の一音は爆音で歪、その後はおとなしくなる感じ。
時定数のせいと思い、電圧制御であるMOSFET使ってみたが、やはりおんなじように歪んだあと静かになる。

諦めかけた時。検波段じゃなく高周波増幅段を持つ周波数変換のTA7358よ2ピンにしてみた。
コンデンサの時定数のため最初だけプッと大きな音でその後Gainが下がるのは同じだが、どうやらこちらのほうがフィーリングはいい。
追い込めば使えそうな感触ではある。





CWなのでAGC電圧はオーディオ出力から整流して得る
※2025/1/19 時定数の2.2uFは10uFに変更

フィードバックは周波数変換段TA7358の2ピンに


その時のANT入力とTP1電圧の関係

上記の定数でS9の73dBmあたりからAGCが利くようにAGCVRを調整しデータどりをした。
一応それなりにAGCになっているようだ。しかし、やはり入力が-58dBmを超えたあたり、TP1の電圧が1.9Vを超えたあたりから音が濁りはじめる。音量は抑えられるので初段過入力あるいはクリッピングダイオードの影響と思う。

さてここでまた悩ましい事象が。
そう、AGCを構成するとSメータが使えない。
爆音を我慢してSメータを使うか、耳にやさしくAGCにするか。。。
移動運用としてヘッドフォンを使うならAGCは必要。。。

解決策があった。

2025/01/15追記

物理的なSメータではなく、能動素子を利用すれば・・・・。
そうです。VFOにはどのみちarduino使用。arduinoにはAnalogInputがあり、1024段階の分解能がある。そうだ、そういえば前に作ったSi5351のVFOにもSメータ機能があった。
それを利用することとする。
この際なので、VFOもSi5351ベースで考えることに方針変更。

軟弱だ(笑)

2025年1月1日水曜日

ラダー型クリスタルフィルタ

ラダー型水晶フィルタは安いが面倒

10.7MHzのクリスタルで4Poleラダーフィルタを構成した

このラダー型には次に示すシリアル型と他の作例によくあるパラレル型がある

この二つの違いは、一番はこれ
  • 入出力インピーダンス
    • パラレル=2xシリアル
インピーダンスマッチングの関係でどちらかを選ぶとよい。

で、値の決め方なのだが・・・・

バイブルとなっているマニュアル本では。。。


これに代入して値を確認してみる。


帯域を900Hzとしたとき、Cは495pF,インピーダンスは32Ω(パラレル),64Ω(シリアル)となった。実際はさきに作っていてCを470pFとした。

nanoVNA S21Gainにて確認すると



帯域は約800Hz,インピーダンスは33Ωとなった
グラフも一応ちゃんとしているようだ。しかし、これは適当に水晶を選んだのがたまたま良かっただけで、この後とても苦労することになる(-_-;)

これなら簡単と次に5poleのラダー型フィルタを構成してみた

水晶の選別が必要。水晶の発振周波数を確認して近いものを使うといいらしいのだが、発振器をつくり周波数カウンタで10Hz単位で読めるものを用意して・・・・
かなり面倒だ。そうだnanoVNAを使えばいいんじゃ!!

S11Phaseを計測して位相が変わるところが近いものを選んだ。


赤字のものである。誤差は100Hz程度になっている。(黄色のものは先の4poleで使った水晶。。。ばらばらだ💦)


散々な結果である。がっかりだ。損失が25dbもあったんじゃとても使えない。

いろいろ試行錯誤して、比較的選別しやすい方法があった。水晶個別にS21Gainを調べPeak周波数順にならべ通過損失が少ないものを使っていく方法。

S21GainでPeakをとりその時のGainとCenterを記録


ごちゃごちゃしているが、4poleのものと5poleのものを実験し色分けしてある。

3の特性である(接続はパラレル)

なんだかあまり芳しくないが、先ほどよりはまし・・・・でもつかえないな


損失は小さくなったが、やはり大きすぎる。

だがわかったことも多くあった。
  • 水晶個別にS21Gainを測定して損失の少ない個体で周波数が近いものを選ぶ
  • 簡単にラダーフィルタを構成できるのは4poleまで
  • ひとつの水晶あたり約3dbの減衰
  • シリアル接続とパラレル接続でのインピーダンスはシリアル≒パラレル/2


2025/1/7追記

7.2MHzの水晶を使って同じようにやってみた結果
実はこれ5poleの結果

簡単に!?作れてしまった。ではないか・・・('◇')ゞ
その原因は。。。

手持ちの水晶のS21GainのPeak周波数結果である
選別は40Hz/stepでの測定なので40Hzごとに分類されるわけだが・・・・
特性が良く揃っているのがわかる。
20個の水晶から5つの同じ周波数の組合せが2組とれた。
しかも損失も少ない。