2022年8月25日木曜日

ダイレクトコンバージョン受信機の実験:そのyon

局部発振にDDSを使ってみる

SA612の局部発振回りに温度補償コンデンサを使うことによって、ドリフトも小さくなりました。

これで、満足なのですが。。。そこはそれ、ブレッドボードと実験したがりの人が弄っているのですから。(笑)




DDSも7Mhzであれば、そこそこお安いものを使えそうです。
AD9833は手軽でよいです。出力が小さいのと、高調波があるので、それをどう始末するかがですが・・・・

試しに、すでにファンクションジェネレータとしてくみ上げて持っているAD9833を繋いで7Mhzを送ってみます。
おっと、写真を撮っていませんでした。。。。

前に作ったファンクションジェネレータはこんな時のために、ジャンパーピンを用意しておきました。AD9833の生の出力を取り出せるようにしてあります。
これで、約0.6VPPの出力が取り出せるはずです。

AD9833-0.047uF-68ohm-10uH-0.022uF-SA612:6pin
                                                  l
                                               75pF
                                                  l
                                                Gnd



2022年8月21日日曜日

ダイレクトコンバージョン受信機の実験:そのsan

ダイレクトコンバージョンの実験 その3

前回前々回とブレッドボードで格闘しながらの実験でした。

7MHzの高周波ですからどうにも安定しませんでした。このくらいの周波数になってくると、ブレッドボードではちょっと辛いものがあります。

復調音がひずむ。というか交流ハム音で変調されるような症状は、回路定数的な問題ではなくてどうやらブレッドボードに配線していることが問題だったようです。


そこで、ブレッドボードの裏面に銅箔テープを貼って、それを(青-)GNDと要所で繋いでみました。
そんなことをしてあがいてみました。これは、効果がありました。だいぶ良いようです。
ということで、そのままブレッドボードで実験を進めることにしました。

ちょっと面白いページを見つけました。同じ7MHzダイレクトコンバージョンのページですが。
No.1 スパロー40、7MHz DC受信機 | エレクトロニクス工作室 | 週刊BEACON | 個人のお客様 | アイコム株式会社 https://www.icom.co.jp/personal/beacon/kousaku/4993/

ローパスフィルターをサレンキー型のアクティブフィルタとしてあるところに惹かれました。ちょっとLTSpiceで特性を見てみました。2次なのでー6dbOctですが試してみる価値はありそうです。

オリジナルと違うところは前段のアンプで、エミッタ抵抗を390Ωとして負帰還量を多くして利得を抑え気味にしたところぐらいです。結果的にトータルで+3dbほどとなっています。

いままで、実験をしていた、RCの簡易ローパスフィルタはー3db Octなので、それと比べればだいぶ違うはずなので、受信音がガヤガヤしないですみそうです。

変更はブレッドボードなのでこの辺の追加は簡単にできます。

結果・・・・SSBのサイドがスパッと切れるわけではないのですが、以前と比べてなかなか静かになりました。利得もちょうどよい感じです。

もう一つの問題はQRH、つまり周波数変動が大きいこと。。。
普通に受信していると周波数調整のボリュームを常に動かしていないと復調音が変わってしまいます。簡単に数百Hzは動いているようです。

これの原因の一つにはコンデンサに温度補償のものを使わなかったためです。頻繁に交換して様子をみてみるためにセラミックコンデンサの詰め合わせから選んで使っていました。

復調音がハム音で変調される(ひずむ)現象が上記のブレッドボードに銅箔テープを貼ることで抑えられたので良かったのですが、今度は周波数変動が気になるようになってきました。

ちょっと手持ちの部品箱をみてみると。温度補償のコンデンサは、100pFのものはあります。それにディップマイカコンデンサで20pFのものがあります。
これを使ってみることにしました。
同調周波数が変わってくるので、調整には20pFのトリマコンデンサを使い、それでも7.030~7.180kHz付近から大きく外れてしまうときはトロイダルコイルの巻き数を変えて対応します。

定数変更

T-37-6:41turn
同調コンデンサ20pFトリマ
パディングコンデンサ:20pFディップマイカ
バリキャップ:1SV149またはBB112等、500pF~20pF程度の変化幅のあるもの
Pin6-7:100pF
Pin7-Gnd:100pF

Pin6,7あたりの値が100pFできちんと発振してくれるか心配ではありましたが、大丈夫でした。OSC出力も問題ないようです。

変更後の回路図


ちょっと部品点数が増えてしまいました。
異常発振もなく快調に動いています。
局発に関連するコンデンサに温度補償のものを使ったのでQRHは安定してしまえばほとんどありません。体感的には10Hz~20Hz動く程度です。電源を入れて安定するまでにはそれなりの時間が欲しいのはかわりありませんが・・・・


これで、大体回路は落ち着いた感じですかねぇ。
さて、どうしますか

ケースに入れて受信機とするかどうか・・・・・
飽きたら使わなくなりそうな気もするので少し様子見ですかねぇ(笑)

2022年8月20日土曜日

7MHz FCZコイルのようなものをつくる 1





1-3:18turn/4-6:5turn=3.6
26Turn/3.6=7.22
















バリキャップを使うと音が極端にひずむ。

どうやら、これは、ハムノイズが乗ってしまっているように思う。50Hzないし100Hzで局発が揺さぶられているような感じを受ける。
ということは、回路を変更してもおなじ?
まずは電池で駆動してみることにするかな。

回路変更するなら
データシートのこれを参考に


pF:at5V
の予定
ちなみに同調コンデンサは

82+10=92pF

さて、どうなることやら・・・・・

T-37-6
AL=3
0.2mm 43turn = 5.547uH







ここでちょっとした間違いに気づく。
どうやら、同調回路は他と切り離して同調容量を考えてもいいみたいだ。

自作コイルのインダクタンスが大体6μHなので
7MHzの同調容量はざっくりと80~90PFぐらいか

68pFを抱かせて
5Vで約60pFだとして
パディングコンデンサを47pFで26pF
ゆえに68+26で94pFとなる。この数字であっているか???



7ーGpin 220pf
6-7pin 68pf

150pf
530:117p
30:25p
60:42p

2022年8月18日木曜日

アクティブループアンテナの製作・アンテナ直下のアンプ

回路図


電源は同軸に重複させた9V程度の電圧です。

今回ためしてみたのは。。。。

先の実験

の出力側にに9:1トランスを挿入してなるべく出力インピーダンスを合わせこむことにしました。
FB801-43をクワッドファイラー巻としました。これにより450Ω:50Ωとなります。

トランスの作成

FB801-43
4重巻:4Turn
巻き線比 4turn:12turn 

1:3 = インピーダンス比 1:9
50Ω:450Ω

NE592の出力インピーダンスはデータシートの回路をみると負荷として1~2kΩほどに設定してあります。450Ωでは不整合がありそうですがそのまま出力するよりはよいはずです。

510Ωで終端してnanoVNAでSWRを測定してみました。



すると、ほぼこれでSWRが1に近づいているようです。

ということは、10:1 程度のトランスとなったようです。ということは、電圧比でも1/10となってしまいます。インピーダンスを合わせたことによるメリットで相殺されるかですが・・・・

RTL-SDRに繋いでいますが、感度が落ちた感触はありません

むしろ、ゲインを上げた時に異常発振気味!?なノイズだったのが、静かになったような気がします。
この改造は成功だったと思います。

2022年8月15日月曜日

ダイレクトコンバージョン受信機の実験:そのni

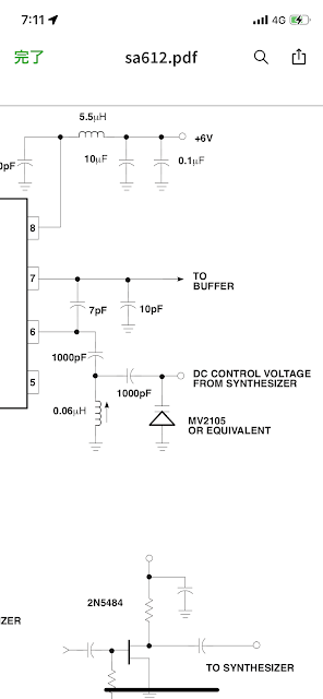
SA612を使ってみる

SA612というICは古くからあったらしい。
当時はかなり高価だったらしく、なかなか買えないといっても1000円以下!?のものだっようです。いまは、Aliexpressという中華で安く買うことができます。
これはUPコンバータに使おうと思って買っておいたものなのですが。。。。

なかなかうまくいかなかったのです。それでいろいろ検索かけていたら、面白い使い方ができるようで・・・・

ダイレクトコンバージョン受信機として動作させてみる




ことにしました。
回路図には周波数を直読するために余計な回路、FETを使ったバッファ回路をいれてあるのですが、基本はSA612でLCコルピッツ発振をさせ7MHzのSSBを復調し直接音声に変換します。
それをNJM386BDで40dbほど増幅してスピーカを駆動します。直前に入っているRCは約5kHzのLowPassフィルターです。
ここをもう少ししっかりしたものにすれば多少は選択度が良くなるらしいのですが、そこはあまり期待しないほうが良いようです。SSBなのでちょっと周波数がずれればガヤガヤするので多少の混信があっても内容は聞き取れますが・・・・

部品はあるもので、済ませようと思ったのでバリキャップに中波でよく使う1SV149を使いました。

この回路の要は

コルピッツ発振させているコンデンサとLCの組み合わせです。
ほかの人の回路をみると、この部分は多くは
C1(6-7pin):68pF
C2(6-Gnd):220pF
程度としていることが多いようです。

実は・・・その組み合わせでもきちんと受信できました。

でも
復調音が変・・・・どうもハム音で変調されているような音で内容が聞き取れない。
調子の良い時は大丈夫なのですが・・・・・

症状としてはこうです。
最初はオーソドックスにバリコンを使って同調回路を構成していました。
この時は、きれいに復調されて音声が聞こえてきました。
これはこれで良かったのですが、なにぶんLC発振ですから、ボディエフェクトがかなりあります。バリコンに触れるとSSBの復調音が変わります。それに、微調整が難しいです。

バリキャップにすれば、同調回路と調整用のボリュームを切り離して考えられます。
なので、手持ちにある1SV149を使ってみることにしました。
こいつは電圧をかけていないときに500pF程度、8Vをかけると20pF程度となります。
パディングコンデンサで調整すれば何とかなるだろうと踏んで使ってみることにしました。

苦労して7Mhz付近に同調させることができました。

でも、・・・・

音がひずむのです

なぜだかわからなかったのでいろいろと弄り倒しました。
そしてわかったことは、パディングコンデンサを5pF程度とすればひずまない。

苦肉の策でバリコンと並列にバリキャップを接続してSSB復調用の微調整用にしました。

その後、今自分が聞いている周波数がわからないと不便なので、Bufferをつけて周波数カウンタで表示させることにしました。

ここでも問題が・・・・・
ひとつは、周波数表示が安定しない。。。。
もうひとつは、また、音声がひずむようになってしまった・・・・

また、試行錯誤!!

いやぁ、一応いろいろ計算するのですけれど・・・・結局はカットアンドトライになってしまうのです。


下にアルミを貼ったボードがあります。実験用ボードなのですが、アルミテープを貼ってシールドに近いような効果を狙いました。
結構、効いているようです。調子のよいときはバリキャップで同調をとってもきれいに復調されます。


でも、やっぱりひずみがでます。


ということで、根本的に見直すことにしました。
  • どうも局発の信号が弱いようです
  • 6,7pinにつながるコンデンサにぶら下がる回路からのハム混入があるようだ。


局発の信号を強くする

C2の6pinーGNDの容量を少なくする・・・
最終的に47pFまで少なくしました。これでも問題なく発振してくれます。カウンタの表示も安定してきました。


6,7pinにつながるコンデンサの容量を調整

周波数を表示するのにバッファーをつけていましたが、ここにつながるコンデンサの容量が大きいと(10pFでも大きい)負荷となりひずみやすくなるようでした。
ここのコンデンサは3pFとしました。(2pFだとFETを十分に駆動できないようです)


最終的に

C1:68pF
C2:47pF
1SV149へのパディングコンデンサ:15pF
7MHzコイル(自作6uH):40pF(30+10pF)

となりました。これで7000kHz~7250kHz程度をカバーできています。

ちなみに、同調コンデンサはトータルで90pF弱程度です。
つまり、68//47+15+40≒90ぐらいということですね。
C1とC2も同調に影響しますのでC1//C2の足し算となります。
※//は並列の意味


ひょんなことから
SA612でたっぷり遊ばせてもらいました。。。。

でも、これはケースに入れて受信機とはしないだろうなぁ
という気もします。

ダイレクトコンバージョン受信機の実験

ブレッドボードで学習

悪い見本のオンパレード

異常発振に見舞われたダイレクトコンバージョン受信機


最初のバージョン
これは、局発とインプットのコイルが近いのが原因?と思われる回り込みによる発振



そのせいかどうかわからないが、どうにも受信音が、歪んで聞けなかった。

アンテナ入力とスピーカー出力近すぎる



写真を撮り忘れた,
アンテナコイルの位置をトランスのあたりにして、局発コイルから離したんだけど、今度は、スピーカー出力のすぐ隣になってしまって激しく発振。
ということは、やはり出力まで高周波が増幅されている可能性ががあ流という事

また、配置替え



半ば諦めつつもう一度組み直し、、、
ただ組み直すだけではつまらないので、ちょっとあそんでみる。
バッファを追加して、周波数カウンタを付けてみた。

今度こそ







うまくいきました(^^)

ブレッドボードは、高周波ダメダメだけど、組み直して確認するのは、簡単なので、実験にはもってこいだね

でも、不安定です。
AMを受信するにはこのままで使えそうですが、ダイレクトコンバージョンの強みとして、SSBを復調するのが主な使い方となると、、
使っているうちにトーンが変わります。
実験用には良いのですが・・・・・・
受信機としてはいまいち^^;

2022年8月13日土曜日

FCZコイルをでっちあげる

https://drive.google.com/uc?export=view&id=1A3m90efod6QRNuqsVzw3rUq0nrvxMQF-




自作する時に、困るのが部品の販売がなくなってしまったもの
FCZコイルと呼ばれる、周波数毎に調整されたコイルもその一つ。欲しい時にはもうなくなっていることが多い。

という事でなければ作るしかない

材料を集めと、仕様確認




いつものaliexpress で材料を探したらこんなのがあったので買ってあった!

仕様がわからないのでもう少し調べてみる


どうやら26turnで約6uHになるようだ

FCZコイルの仕様確認



7MHzは5.17uHのコイルは、バイファイラ巻

まあ、とりあえず、26回巻いて作ってみよう
まずは、バイファイラ巻とするのに0.2mmのUEWをよじる。


電動ドリル巻き!!
これを使ってバイファイラ13回巻にする。すると26turnになるので6uH付近になるはず。


この記事を参考にして、コイルを作った。④⑥側はFCZコイルだと比が3.6なので、26巻の1/3.6≒7ということで、シングルで7回巻にした。
FCZ:1-3:18turn/4-6:5turn=3.6
自作:26Turn/3.6=7.22

 


これであっているかどうかは不明(笑)



出来上がったものをさっそくnanoVNAで測定してみる。

①③の測定結果





④⑥の測定結果



なんとなく、予測通りに出来上がっているみたいだ。
測定結果から手巻きした7MHz自作コイルは①③で約6uHとなった。
本物のFCZコイルは5uHあたりなので、ちょっとだけ容量が多いが。。。
まぁ計算通りだったのでこれでよいことにする。よいのか?

出来上がったコイル


ひとつは、ダイレクトコンバージョン受信機の局発用途なので、2次コイルは巻かなかった。手抜きといえばそうなのだけれども(笑)




2022年8月6日土曜日

Openmediavault6,OMV5からOMV6へ 備忘録

Openmediavault6

debianのファイルサーバ実装である。
略してOMVと呼ばれることが多い。

OMV5


OMV3のころから使い始めて、ずっとこれを使ってきた。そしていつもハマるのは(-_-;)
バージョンアップの時。

今回もVer5から6へのバージョンアップ。
ログインがグラフィカルになった

rootになって
omv-release-upgrade

たったこれだけのコマンドで簡単に5から6へアップデートされる。

という記事があるが、それは本当だ。けど本当ではないことも多い。

今回もアップデート後ファイルサーバにしているZFSプールがぞっくり使えなくなっていた。まぁいつものことだけれども・・・・

まず、openmediavalt extraがVer5から6にアップデートされていない。

5のものは動かないので、削除するしかない。そして、6をインストするわけだが・・・・

5まではプラグインページからのインストールだったのがそれができなくなっている。

インストールするには次のコマンドをたたく

openmediavault-omvextrasorgをインストール

$ wget -O - https://github.com/OpenMediaVault-Plugin-Developers/packages/raw/master/install | bash

そして、ZFSシステムをプラグインからインストール

おっと、その前に、 


カーネルを対応バージョンにアップデートしておかないとだめ。。。
まぁここでもハマったわけだが(-_-;)

そして、

ZFSをインストール。

インストール終了後にプールをインポートする!!

これで、やっと使える状態になった。

無事にOMV5→6にアップデートできた。OMV5のメンテナンスサポートが終わってしまったので仕方なく6にしたが・・・

ほんとうは面倒なのであまりこういう作業はしたくない。。。。

うちではRegza Z2000の録画用としても使っているのでSMBサーバに次の設定が必要だった。


server min protocol=NT1

備忘録でした。

BN73-302を使ったガルバニックアイソレータ

BN73-302を使ったアイソレータ

ガルバニックアイソレータはFB801-43のフェライトビーズを使ったものを作成して使っていたが、この記事をみて、ちょっと作り直してみようと思った。
ジャンクな電子工作&徒然落書き帳: AOR GT-1(ガルバニック・アイソレーション・トランス) http://ja7vra.blogspot.com/2013/01/aor-gt-1.html
ノイズの伝導を阻止して信号だけを通したかった。そうすると以前巻いたようなバイファイラ巻では不適当で、ルーズな巻き方のほうが良さそう。

BN73-302で並行巻で4turnにしてみた


使ったのは0.35UEW 若干太めのエナメル線。YouLoopを構成した時のトランスは0.55UEWだったのだけれど若干キツキツだったので、少しルーズにしようと思い0.35mmとしてみた。

通過特性


500kHz~100MHzでスイープさせてみました。

500kHz:-2.532dB
3.5MHz:-0.408dB
100MHz:-2.320dB

となりました。100MHzまでディップもなく素直な特性ですがMW帯での減衰が若干目立ちます。

8Turn(穴を8回通す、2穴なので実際は4巻き?)よりも多めの巻き数にしたほうがよいかもしれませんね。

以前作ったFB801-43でのものと比べると・・・・

青がBN73-302

BN801-43のものには大きなディップがみられましたが低域での通過特性は良い